|
低频放电2G/H臭氧发生器配件(臭氧高压电源+臭氧管)最佳工作环境温度为4~20℃,此环境温度下,臭氧浓度及产量非常充足,高于此温度环境时,臭氧浓度和产量会有所降低.
收藏
技术参数 名 称:低频放电2G/H臭氧发生器配件(臭氧高压电源+臭氧管) 型 号:ZCP-2 工作电压:AC220V/50HZ、 功 耗:18W 供 气 源:干燥洁净的氧气或空气 臭氧产量: 2G/H(或干燥空气 8~15L/MIN) 工作环境温度:-10~40℃ (最佳工作环境温度为4~20℃,此环境温度下,臭氧浓度及产量非常充足,高于此温度环境时,臭氧浓度和产量会有所降低。) 工作环境湿度:≤85%RH 外形尺寸:臭氧管尺寸:直径30MM,长244MM 电源尺寸: 146*57*46MM 长*宽*高。 安装尺寸:电源:安装孔距130MM,孔径5MM; 臭氧管:安装孔距45*217MM ,孔径4.5MM。 气嘴尺寸:宝塔8MM ,可用内径5~7MM的气管接通。 净 重:0.6kg
以上数据为环境温度20℃时检测出的平均数值(环境温度不同时臭氧浓度及产量请参考以下表格计算)
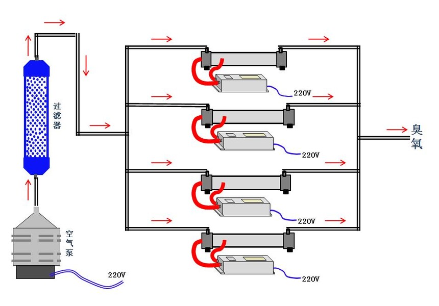
结构说明: 1.低频放电2G/H臭氧发生器配件由微间隙放电臭氧管和低频高压电源两个部分构成。 2.石英管的构成及特点:内电极316L不锈钢,外电极304不锈钢,石英介电管,阻燃抗氧化材料气嘴堵头,由于采用低频放电,臭氧管温升极低,几乎不发热,正常使用寿命1万小时。 高压电源构成及特点:真空环氧高压包;主要特点为:低频输出,产出的热量低。 产品用途说明 zcp-2低频放电2G/H臭氧发生器配件主要用于小型臭氧机上,可以一台设备安装一套或多套。是臭氧消毒机的主要核心部件,可用在需要臭氧灭菌或净化的地方,运用在水处理或空气净化杀菌除臭;如蔬果清洗消毒机,家用活氧机等。其优越的工艺做工和电参数的稳定性及超长的寿命在广大用户中得到一致的好评。 设备安装使用说明 第一步:臭氧管固定在机箱中,高压电源距离金属机箱外壳大于2厘米(高压部分如果距离金属机箱外壳太近,会形成高压涡流导致机箱外壳发热发烫,电源功率损耗过大会导致损坏)。 第二步:进气口及臭氧出口的安装:臭氧管的气嘴不分进出气嘴,任意一端均可进出,进出气口的导气管材料可用硅胶管或PC软管,要求不漏气即可,通入臭氧管进气口的空气,要确保气体洁净干燥,不含油份,温度不要高于35度,湿度不能大于70%RH。 第三部:检查线路:高压线接通臭氧管时,要尽量将高压线以最短的距离连接,配件出厂时高压线长30CM左右,安装的时候根据安装的位置尽量将高压线剪短接通,避免高压线在机箱内与其他的线路或物件碰触在一起,两条高压线至少保持0.5厘米,禁止绑扎在一起,不可避免两条高压线互相碰触的时候,可用壁厚为1.5MM以上的硅胶管套上高压线,增强绝缘。其他的线路,特别是数显的电子器件连接线,不要靠近高压部分(高压包,高压线,臭氧管),否则高压可能会干扰其正常使用功能。
|









